
Project Information
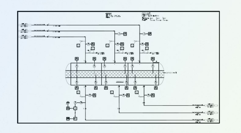
As-built documentation and detail engineering for an upstream Refinery Sulphur Recovery Unit (SRU) including updating intelligent P&IDs.
Description
Client
An engineering, planning and construction management firm providing services to the global oil & gas, salt, power, mining & mineral industries.

Engineering Requirement
- As-built documentation
- Detailed engineering
- Updating various intelligent P&IDs from the redline marked up P&IDs

Delivered
- As-built drawings for the upstream Refinery Sulphur Recovery Unit
- ASME B31.3 codes and standards were followed to ensure higher quality in delivering as-built documentation
Want to know more about this project?
Our Recent Projects
Connect with us for all your engineering design needs
US Toll-Free Phone
+1-877-747-4224
India Phone
+91 (265) 2680159
Drop Us An Email
sales@rishabheng.com
Our Offices
USA, UK & India (Head office)
Ready to work with us? Tell us more
Our Recent Blogs
If you are trying to determine how to choose a piping design partner who truly adds value, here are the essential criteria. Plus, how Rishabh Engineering checks the box on each one.
In the complex world of process industries, effective communication and documentation are crucial for ensuring safety, efficiency, and successful operation. The Piping and Instrumentation Diagram (P&ID) is vital in this domain. With this article, we will explore what is P&ID, its significance across diverse industries, the symbols employed, and a comprehensive guide on crafting them.
In this blog, we’ll explore the frequently used equipment P&ID symbols, while explaining their function, significance, and how they contribute to effective system design.


